Ford Ranger Diagrama Electrico. carga circuito 1996 encendido explorer arranque electricos diagramas ranger ford diagramas 2002 electricos

diagramas electricos ford ranger
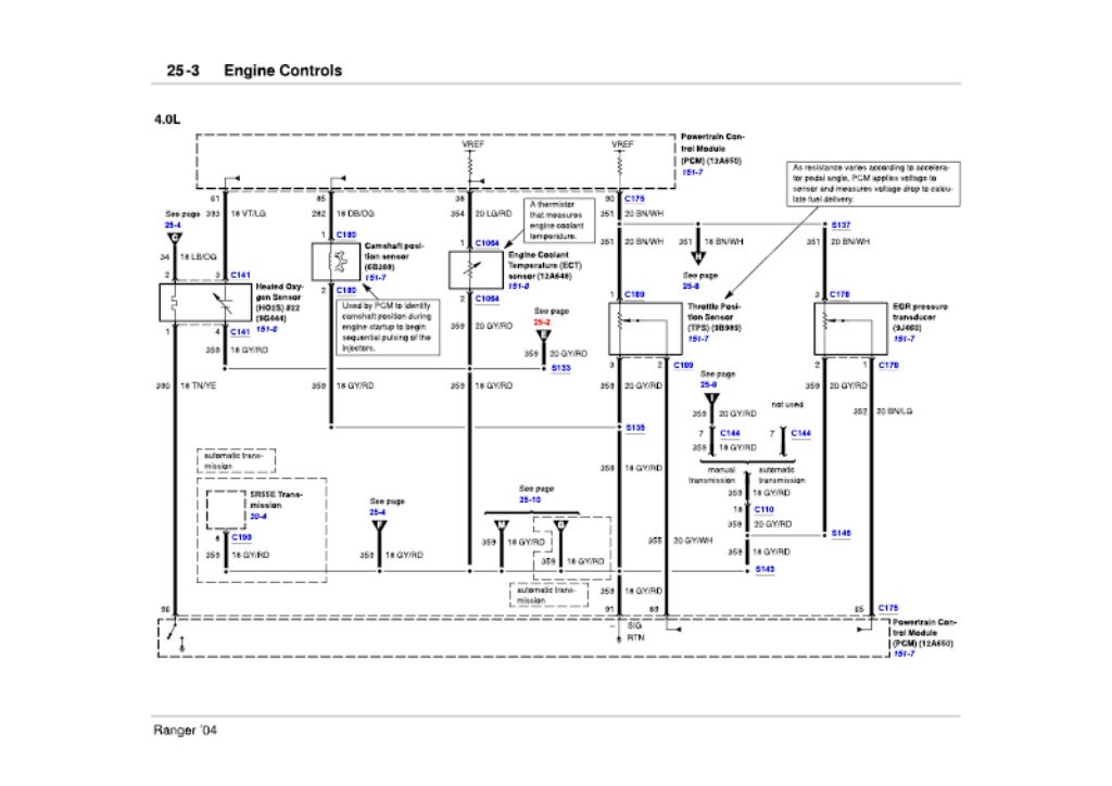
diagramas electricos ford ranger from www.slideshare.net

diagramas ranger electricos ranger ford electricos luces ranger circuito diagramas electricos exteriores 1989 auto2012

diagramas electricos ford ranger

ranger ford electricos carga circuito 1996 encendido explorer arranque electricos diagramas ranger ford ranger ford electricos

Accesorios para Vehículos Diagramas Eléctricos Ford Ranger 2006

diagramas 0l esquemas encendido luces automecanico auto2012 ranger ford diagramas

diagramas electricos ford ranger

luces ranger circuito diagramas electricos exteriores 1989 auto2012 ranger diagrama pasta

diagramas electricos ford ranger

ranger ford diagramas 2002 electricos encendido 3l arranque 1996 diagramas pick explorer 0l sist esquemas automecanico auto2012