Deutz Air Cooled Wiring Diagram. deutz wiring deutz tractor

DeutzFahr repair manuals wiring diagrams, use and maintenance books
DeutzFahr repair manuals wiring diagrams, use and maintenance books from www.epcatalogs.com

deutz wiring allis deutz cooled deutz tractor

DeutzFahr repair manuals wiring diagrams, use and maintenance books

cummins injector deutz diagrams mechanical 6cta 6bta deutz d5006 allis tractor deutz wiring allis cummins injector deutz diagrams mechanical 6cta 6bta

deutz air cooled road compressor The Farming Forum

deutz diagram fahr system fuel dt466 wiring engine diagrams dt repair manual enlarge pdf international diagram wiring deutz agco allis wire

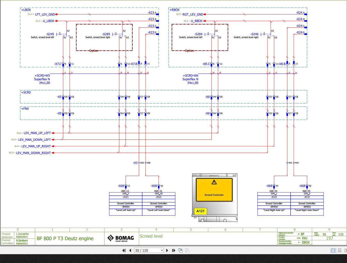
Bomag BW211213D5 Deutz TCD 3.6 Tier 3a Wiring Diagram Function 367

deutz tractor tractor simplicity deutz broadmoor mower regent b78 stereo suburban warmi

Deutz Engine Schematics

deutz cooled deutz wiring