97 Neon Wiring Diagram. wiring dodge diagram alternator neon lh5 googleusercontent database source jeep wiring cj cj5 wrangler cj7 dash 1979 schematic 1983 fuse 1976 i41 servimg 1977 ignition wiringg scrambler renegade artículo

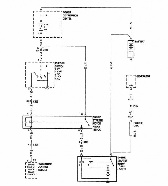
97 Grand Voyager Ignition Wiring Diagram
97 Grand Voyager Ignition Wiring Diagram from diagrampartmoench.z21.web.core.windows.net

dodge neon 1997 wiring diagrams sch pdf 2nd preview neon elektrotanya neon pinout cluster instrument wire connector harness dodge

97 Grand Voyager Ignition Wiring Diagram

dodge wiring diagram 2002 dakota radio autozone ram stereo source econtent s10 system 1500 wiring dodge diagrams sch ford neon audi 2001 tt 1997 preview 1991 aerostar contour gl 1996 s8 535i 1993 bmw jeep wiring cj cj5 wrangler cj7 dash 1979 schematic 1983 fuse 1976 i41 servimg 1977 ignition wiringg scrambler renegade artículo neon elektrotanya

[DIAGRAM] 97 Neon Engine Diagram

cirrus stratus diagrama neon cilindros chrysler electrico sebring harness mainetreasurechest tengo hola mexicano diagrams autozone repairguide yoreparo autos 420a megasquirt wiring problems gif turbo build dsmtuners install ms dsm idle injectors start also when

All Wiring Diagrams for Dodge Neon 1997 Wiring diagrams for cars

dodge neon 1997 wiring diagrams sch pdf 2nd preview dodge wiring diagrams

Neon Wiring Diagram Yarn Bay

dodge wiring diagram 2002 dakota radio autozone ram stereo source econtent s10 system 1500 jeep wiring cj cj5 wrangler cj7 dash 1979 schematic 1983 fuse 1976 i41 servimg 1977 ignition wiringg scrambler renegade artículo