Wiring Diagram Toyota Rav4 2008 EspaàOl. wiring rav4 toyota diagram 2008 diagrams diagram wiring rav4 toyota 2008 tacoma 2006 manual original pickup faxonautoliterature

Memo Toyota RAV4 Wiring Toyota Service Blog
Memo Toyota RAV4 Wiring Toyota Service Blog from www.toyotaguru.us

rav4 diagram toyota wiring electrical 2001 2008 repair diagrams 2002 circuit overall guides gif wiring diagram rav4 2008 toyota manual original toyota wiring rav4 diagram alternator memo service

Memo Toyota RAV4 Wiring Toyota Service Blog

rav4 toyota wiring diagram pdf schematic 2008 role wiring rav4 toyota diagram 2008 diagrams rav4 toyota wiring diagram pdf schematic 2008 role diagram wiring rav4 toyota 2008 tacoma 2006 manual original pickup faxonautoliterature

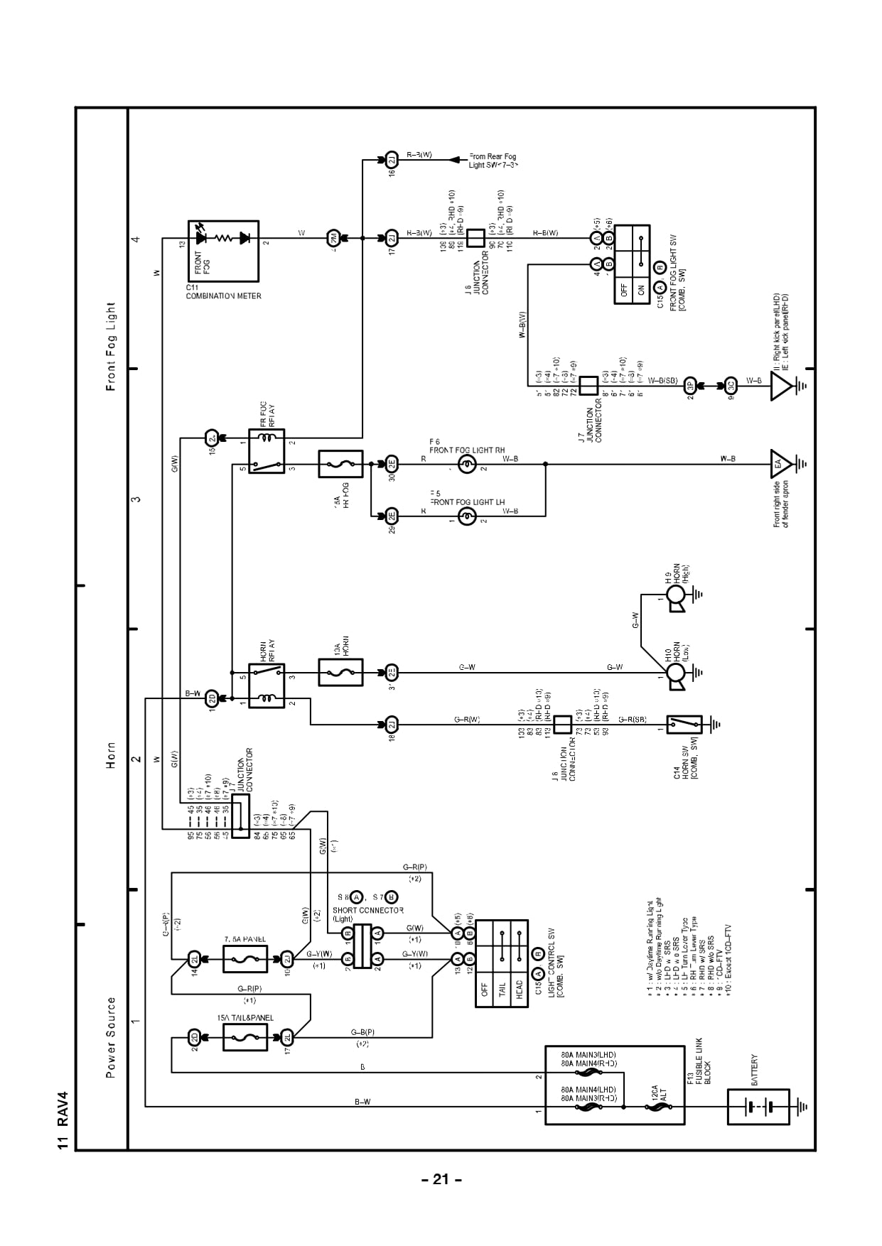
All Wiring Diagrams for Toyota RAV4 2008 Wiring diagrams for cars

rav4 toyota wiring diagram pdf schematic 2008 role diagram wiring rav4 toyota 2008 tacoma 2006 manual original pickup faxonautoliterature

Toyota Rav4 Wiring Diagram

rav4 diagram toyota wiring electrical 2001 2008 repair diagrams 2002 circuit overall guides gif wiring rav4 toyota diagram 2008 diagrams

All Wiring Diagrams for Toyota RAV4 2008 Wiring diagrams for cars

wiring diagram rav4 2008 toyota manual original toyota wiring rav4 diagram alternator memo service