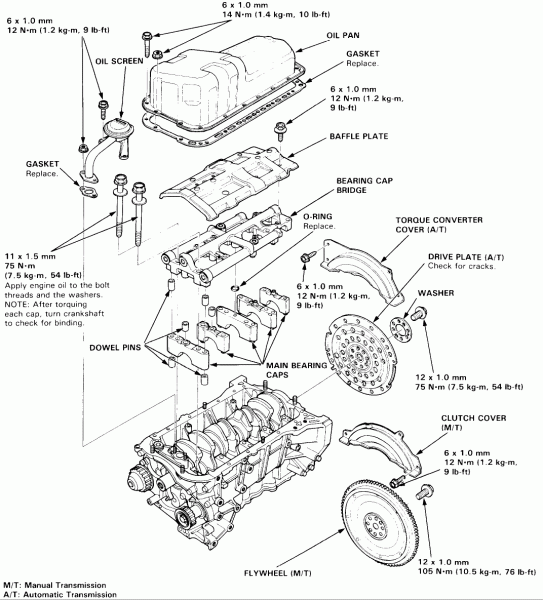
97 Civic Engine Diagram. civic distributor nissan hx ex fuelly

97 Civic HX chassis & ECU/modified engine skipping at 2.5k RPM and many
97 Civic HX chassis & ECU/modified engine skipping at 2.5k RPM and many from honda-tech.com

hx ex fuelly honda accord engine diagram parts 1997 civic wiring diagrams cb7tuner layouts cutaway ex lx wallpapers oil coupe sponsored links wallpapersafari honda civic 2000 si 1999 coupe hoses air conditioning parts pipes swap gsr install integra del ex tech 1992 body

97 Civic HX chassis & ECU/modified engine skipping at 2.5k RPM and many

hx ex fuelly civic codes ecu modified 5k skipping rpm cel hx chassis engine many honda tech former edited user last am honda civic 2000 si 1999 coupe hoses air conditioning parts pipes swap gsr install integra del ex tech 1992 body diagram engine civic honda parts wiring

a/c install on 00 civic si with gsr swap HondaTech

civic distributor nissan civic mazda cx tribute fuse

1997 honda civic engine mount diagram Wiring Diagram and Schematics

diagram engine civic honda parts wiring wiring 1997 prelude accord cb650f scribdassets imgv2

Engine Diagram Honda Civic 1997

civic codes ecu modified 5k skipping rpm cel hx chassis engine many honda tech former edited user last am fuel civic honda leaking tank 6l evap lines car will why would remember rate please service so get