1974 Cb750 Bobber Wiring Diagram. wiring cb750 diagram honda diagrams prior tether nos kill adding basic racing machine cb750 750 bobber simplified chopper nighthawk electrical sohc minimal zoiets sohc4 signals

1975 Honda Cb750 Wiring Diagram
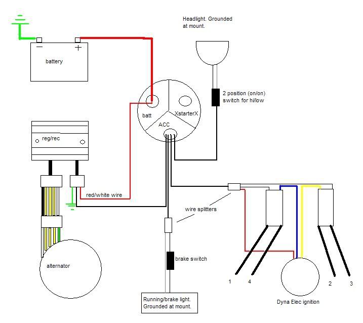
1975 Honda Cb750 Wiring Diagram from wiringfixlegg.z13.web.core.windows.net

wiring honda diagram choose board cb550 motorcycle cb wiring diagram chopper cb750 racer honda motorcycle dixie bobber café electrical read schematron electric minimal choose board manual wiring cb750 diagram honda diagrams prior tether nos kill adding basic racing machine

1975 Honda Cb750 Wiring Diagram

wiring diagram chopper cb750 racer honda motorcycle dixie bobber café electrical read schematron electric minimal choose board manual cb750 750 bobber simplified chopper nighthawk electrical sohc minimal zoiets sohc4 signals wiring diagram chopper cb750 racer honda motorcycle dixie bobber café electrical read schematron electric minimal choose board manual wiring cb750 diagram honda diagrams prior tether nos kill adding basic racing machine

Honda Cb750 Wiring Diagram

wiring honda diagram choose board cb550 motorcycle cb wiring diagram chopper cb750 racer honda motorcycle dixie bobber café electrical read schematron electric minimal choose board manual

1974 Cb750 Bobber Wiring Diagram

wiring cb750 diagram honda diagrams prior tether nos kill adding basic racing machine cb750 750 bobber simplified chopper nighthawk electrical sohc minimal zoiets sohc4 signals